PL3383T作為一款高性能的AC/DC非隔離降壓型恒壓輸出芯片,憑借其卓越的性能和廣泛的應用場景,正逐漸成為眾多電源設計工程師的首選。本文將深入探討PL3383T芯片的技術規格、特點、輸出電路圖以及應用說明,幫助讀者全面了解這款芯片的性能與優勢。
PL3383T是一款專為90Vac~265Vac全電壓輸入設計的非隔離電源芯片。它內部集成了高壓功率開關,采用專利的電壓電流控制技術,能夠實現精確的電壓和電流調節。這種設計極大地簡化了電源電路的設計復雜性,降低了成本,同時提高了系統的可靠性和穩定性。PL3383T芯片的復合模式應用使其能夠在不同負載條件下自動切換工作模式,以實現低靜態功耗、低音頻噪音和高效率。在輕載時,芯片工作在PFM(脈沖頻率調制)模式,隨著負載增加,逐漸進入PWM(脈沖寬度調制)模式,確保系統在低功耗待機和高效率工作之間達到最佳平衡。

PL3383T的標準輸出電壓為12V,能夠提供最大300mA的負載電流。這一輸出能力使其非常適合為主控芯片供電電源、小家電輔助電源、智能家居設備以及其他各類電源應用提供穩定的電源支持。
PL3383T采用復合模式控制技術。在輕載條件下,芯片工作在PFM模式,通過降低開關頻率來減少開關損耗,從而實現低靜態功耗。當負載增加時,芯片會逐漸切換到PWM模式,以提高工作效率。這種模式切換機制不僅優化了芯片在不同負載條件下的性能,還確保了電源系統的穩定性和可靠性。
PL3383T內置了多種保護功能,包括VCC欠壓保護、VCC過壓保護、逐周期峰值電流檢測、輸出開路保護、輸出短路保護和過溫保護等。這些保護功能為電源系統提供了全方位的保護,確保在各種異常情況下芯片和負載設備的安全。
PL3383T采用SOP8封裝,這種封裝形式具有體積小、散熱性能好、易于安裝等特點,非常適合應用于緊湊型電源設計中。

PL3383T內部集成了高壓功率管、高壓啟動電路以及多種保護功能電路。這種高集成度設計不僅減少了外部元件的數量,降低了電路的復雜性和成本,還提高了系統的可靠性和穩定性。
PL3383T的輸出電壓精度為±5%,能夠為負載設備提供穩定可靠的電源。這一特性使其在對電源精度要求較高的應用中表現出色。
芯片內置抖頻技術,能夠有效減小電磁干擾(EMI),降低電源系統對周邊設備的電磁干擾,同時也有助于電源系統通過電磁兼容性測試。
PL3383T采用自適應控制技術,能夠在不同負載條件下自動優化開關頻率和占空比,從而提高電源系統的效率。特別是在輕載條件下,芯片的低靜態功耗特性能夠顯著降低系統的待機功耗。
PL3383T具備VCC欠壓/過壓保護、逐周期電流限制、輸出開路保護、輸出短路保護和過溫保護等多種保護功能。這些保護功能為電源系統提供了全方位的保護,確保在各種異常情況下芯片和負載設備的安全。
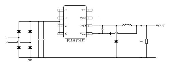
PL3383T的輸出電路設計簡潔高效,其典型應用電路如下圖所示:

在該電路中,電感L1和續流二極管D1是關鍵的外圍元件。電感L1的選擇需要根據輸入電壓范圍、輸出電流和工作頻率等參數進行計算。續流二極管D1應選擇低導通壓降的快速恢復二極管,以提高電源系統的效率。此外,為了防止空載或輕載時輸出電壓不穩定,電路中還設計了假負載電阻R1,提供一定的負載效果,確保輸出電壓的穩定性。
系統上電后,母線電壓從PL3383T的C端對VCC充電。當VCC電壓達到開啟閾值時,芯片內部電路開始工作。在系統穩定工作后,輸出電壓將為VCC供電。PL3383T的待機電流很低,結合其復合模式控制技術,能夠顯著提高系統的效率,尤其是在輕載條件下。
電感L1的選擇對于電源系統的性能至關重要。在降壓型拓撲電路中,電感值的選擇通常在最惡劣條件下進行計算,即使用最高輸入電壓值,在最大負載條件下,電路工作在CCM(連續導通模式)并且達到最高工作頻率。推薦的電感電流紋波系數r值不小于0.25。根據電感公式,可以計算出電感值L:

其中,ΔIL=IL×r,IL為最大負載電流,FSW為開關頻率。在最大負載條件下,芯片工作在CCM模式,峰值電流公式為:
PL3383T電路的續流二極管應選擇低導通壓降的快速恢復二極管。這種二極管能夠有效降低導通損耗,提高電源系統的效率。同時,需要注意二極管的反向擊穿電壓應不小于輸入電容的耐壓值,以確保系統的安全性。
為了防止空載或輕載時輸出電壓不穩定,電路中需要設計假負載電阻。假負載電阻的選擇需要在保證輸出電壓穩定和系統靜態功耗之間找到平衡。合適的假負載電阻能夠提供一定的負載效果,確保輸出電壓的穩定性,同時不會造成系統靜態功耗過大。
PL3383T內置了多種保護功能,包括逐周期限流保護、VCC過壓/欠壓保護、輸出開/短路保護和過溫保護等。這些保護功能能夠有效保護芯片和負載設備在各種異常情況下免受損壞。例如,逐周期限流保護能夠防止輸出電流過大導致的芯片損壞;VCC過壓/欠壓保護能夠確保芯片在電源電壓異常時停止工作,保護芯片和負載設備的安全;過溫保護能夠在芯片溫度過高時自動關閉芯片,防止因過熱導致的損壞。

PL3383T憑借其高性能、高集成度和多種保護功能,廣泛應用于以下領域:
PL3383T能夠為主控芯片提供穩定可靠的12V電源,滿足主控芯片對電源精度和穩定性的要求。其低靜態功耗和高效率特性能夠顯著降低系統的待機功耗,提高系統的整體性能。
在小家電設備中,PL3383T能夠為輔助電路提供穩定的電源支持。其內置的多種保護功能能夠確保電源系統在各種異常情況下安全可靠地工作,延長設備的使用壽命。
智能家居設備通常需要穩定的電源支持,以確保設備的正常運行和通信功能。PL3383T的高精度輸出和多種保護功能使其成為智能家居設備電源的理想選擇。
PL3383T還適用于其他需要12V電源的應用場景,如小型電子設備、便攜式設備等。其緊湊的封裝形式和高集成度設計使其能夠輕松集成到各種設備中,為設備提供可靠的電源支持。
PL3383T是一款高性能的AC/DC非隔離降壓型恒壓輸出芯片,憑借其高集成度、高精度輸出、低EMI設計、高效率以及多種保護功能,廣泛應用于主控芯片供電電源、小家電輔助電源、智能家居設備等領域。通過合理選擇電感、續流二極管和假負載電阻,并充分利用其內置的保護功能,PL3383T能夠為電源系統提供穩定可靠的電源支持,滿足不同應用場景的需求。