在現代廚房電器中,電磁爐以其高效、便捷的烹飪性能受到廣泛歡迎。而電磁爐的穩定運行離不開高性能的芯片支持。芯茂微和輝芒微作為國內知名的芯片制造商,提供了多種適用于電磁爐的芯片型號,滿足不同功率和功能需求。本文將詳細介紹這兩家公司的推薦芯片型號,幫助您為電磁爐選擇合適的芯片。
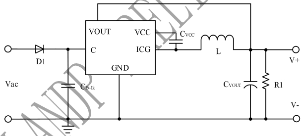
工作模式:BUCK/BUCK-BOOST
輸入電壓范圍:85VAC~265VAC
輸出電壓:5V
最大輸出電流:100mA
封裝:SOT23-6L
特點:高效率高精度的非隔離降壓開關電源恒壓控制驅動芯片,內部集成>800V的功率管,采用恒壓控制模式,系統工作在QR模式下性能優異。內置峰值電流控制和啟動電路,無需外部采樣電阻和啟動電阻,簡化了設計。

工作模式:BUCK/BUCK-BOOST
輸入電壓范圍:85VAC~265VAC
輸出電壓:5V
最大輸出電流:200mA
封裝:SOP7L
特點:適用于全范圍輸入電壓的非隔離Buck、Buckboost拓撲結構,尤其適合小家電和白色家電的電源驅動。集成了750V的功率管,并在CCM和DCM模式下工作。具有優異的EMI特性和多重保護功能,如VCC鉗位/欠壓保護、輸出短路保護等。

工作模式:BUCK/BUCK-BOOST
輸入電壓范圍:85VAC~265VAC
輸出電壓:12V
最大輸出電流:400mA
封裝:SOP8
特點:高效率高精度的非隔離降壓開關電源恒壓控制驅動芯片,內部集成高壓功率管,采用恒壓控制模式,系統可工作于CCM和DCM模式。內置特有的峰值電流控制,無需CS電阻;內置啟動電路,無需啟動電阻。具有多重保護功能,包括VCC鉗位/欠壓保護,輸出短路保護、電感過電流保護及過溫保護等。

工作模式:正激控制
輸入電壓范圍:適用于大功率正激式開關電源應用
功率范圍:200-800W
封裝:SOP8L
特點:高性能、高可靠性控制芯片,采用大線寬的BCD制造,晶圓面積大、耐壓高、散熱優秀。可以通過外置電阻設定工作頻率,且工作頻率具有優異的溫度穩定性。內置頻率抖動功能,可以有效降低EMI干擾的幅度。具有軟啟動功能,可通過外置電容設定軟起動時間,有效防止啟機過沖和降低功率器件的開機應力。具有多重保護功能,包括VCC欠壓保護,輸出過載保護、輸出短路保護、輸入欠壓保護等功能。
工作模式:非隔離PWM功率開關
特點:內部集成脈寬調制控制器和功率MOSFET,適用于小功率離線式開關電源。提供高效率的電源轉換,減少能量損耗,延長電磁爐的使用壽命。具備過流保護、過壓保護、短路保護等全面的保護功能,確保電磁爐在使用過程中的安全性和可靠性。通過特殊的控制方式和設計,有效降低了電磁干擾,提高了產品的抗干擾能力。
工作模式:32位MCU
特點:采用超深亞微米嵌入式Flash工藝,125℃條件下可擦寫200萬次。適用于消費電子、家電、工業控制和汽車電子等領域。從IO分布、外設功能、寄存器訪問和總線效率等方面跟Arm生態主流器件高度匹配,擁有良好通用性。集成了更多高精度的比較器和運放,具備寬工作電壓、高主頻、部分產品帶觸摸傳感器等特色。
工作模式:小家電電源芯片
特點:輝芒微的18V300MA電磁爐小家電電源芯片,封裝為DIP-7,適用于電磁爐等小家電設備?。

芯茂微和輝芒微提供了多種適用于電磁爐的芯片型號,滿足不同功率和功能需求。芯茂微的LP2601、LP2188A、LP2179B和LP9956等型號,以其高效率、高精度和多重保護功能,特別適合小家電和白色家電的電源驅動。輝芒微的FT8443ADA和FT32F030系列則提供了高性能的非隔離PWM功率開關和32位MCU,適用于多種應用場景。在選擇電磁爐芯片時,應根據具體的應用需求和預算,綜合考慮芯片的性能、保護功能和成本等因素,以確保電磁爐的安全、高效運行。